


Para calcular o frete descreva o cep da sua cidade abaixo (apenas números)
Quantidade desejada:
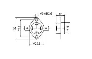
Termostato Bimetalico de Encosto em Baquelite 83°C
- Temperatura de comutação: 83°C;
- Histerese: 5ºC;
- Capacidade de contato: 10A;
-Cód.: W1058;
- Terminais em ângulo;
-NCM: 90321090;
Diâmetro: 16 mm
Comprimento total: 32 mm
Distância entre centros de furos: 24 mm
Diâmetro dos furos: 3,5 mm