Termostato Bimetálico C/ flange e abas 120°C 16A 250VCA forno Venâncio

 
CLIQUE NA IMAGEM PARA AMPLIAR
POR: R$ 14,00*
*Valor não inclui imposto de DIFAL para vendas para fora do estado do RS.
VALOR DO FRETE

Para calcular o frete descreva o cep da sua cidade abaixo (apenas números)

Quantidade desejada:

CALCULAR FRETE

DESCRIÇÃO

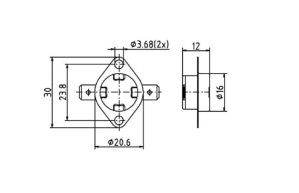
Termostato Bimetálico de encosto 120°C 16A 250VCA

Temperatura de comutação: 120ºC

Histerese: 20ºC

Contato NA: 16A

COD: W4088

CARACTERÍSTICAS E INFORMAÇÕES TÉCNICAS

Altura: 12mm

Largura c/ terminais: 34mm

Largura s/ terminais: 18mm

 



Fale Conosco